2021-01-17
摘要:本文主要介绍酒店宾馆热水系统的组成,热水系统中各部分设备的作用,以及不同系统的优缺点。
1.常压热水锅炉热水系统
常压热水锅炉热水系统通常由承压热水锅炉、膨胀水箱、热媒循环泵、换热器、热水箱、热水循环泵、
膨胀罐、软水处理器组成。 图1是峨眉山某温泉酒店的热水系统图,锅炉采用3台方快CLHS0.35-95/70-YQ
常压热水锅炉。这3台锅炉 不仅供生活热水使用同时满足采暖、泳池水加热的需求。一机多用是常压热水的
优点之一。

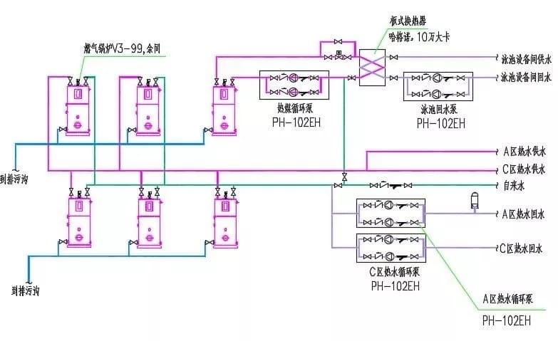
2.商用容积式热水器热水系统
容积式商用热水器的组成非常简单只需要容积式热水器、回水泵、膨胀罐即可。图2是崇州市某颐养酒店 的
热水系统图,热源由5台方快V3-99容积式加热机组提供。该系统与常压热水系统相比省去了膨胀水 箱、
热媒循环泵、换热器、热水箱,系统相对简单许多。该系统自来水通过热水器加热通过自来水压力直接
送达用水点,没有通过二次散热,热效率较常压热水系统高。缺点就是做不了大功率,单台功率最大 99
KW(《小型和常压热水锅炉安全技术监察规定》中“额定热功率小于100kW;最大水容积不超过 500L
不属于锅炉的规定,无需独立建造锅炉房,无需专人值守。)

3 主要设备及选型
3.1 锅炉
锅炉是商用热水系统热源提供设备。 酒店热水锅炉选型根据《建筑给水排水规范》5.3.1规定:
3.2 换热器
换热器在常压热水锅炉系统中起到隔离一次侧系统和二次侧系统的作用,使一次系统和二次系统只进行
热量交换而不进行物质交换,保持二次侧水清洁干净。常压热水锅炉系统要用到换热器的主要原因是,
常压锅炉不能承压,不能直接把把热水通过自来水压力送达高区。换热器的选型主要根据末端用水热负
荷,计算方法同《建筑给水排水规范》5.3.1。

3.3 水泵
热媒循环水泵要求达到足够的流量,保证换热器的换热效果。热水循环泵在常压热水锅炉系统中则要满
足各用水点保持充足水压和水量。
水泵在选型的过程中要考虑到的关键因素有:管路长度、弯头多少、内管壁的光滑程度、高度跨距、进
口水压,末端用水点水压要求。在多环路热水系统中,取最不利环路计算。
3.4 热水箱
热水箱在常压热水锅炉系统中是个储热设备,保证在用水高峰期时热水能持续供应,适合小时用水变化
系数大的系统。热水箱的选型根据《建筑给水排水规范》5.4.2B-2规定:

3.5 膨胀水箱
膨胀水箱的在常压热水锅炉系统中的作用是平衡一次侧管网压力,使锅炉常压常压状态,保证锅炉安全
稳定的运行。
膨胀水箱的选型根据《建筑给水排水规范》5.4.19-2规定:

3.6 膨胀罐
在热水系统中膨胀罐起到平衡管网压力从而保护管网的作用。膨胀水箱的选型根据《建筑给水排水规范
》5.4.21规定:

4 总结
常压锅炉热水系统和容积式热水器热水系统各有优缺点,但是明显可以看出容积式热水器热水系统在热
负荷需求不是很大的热水项目时是首选方案。酒店热水系统必然是朝着操作简单,高能效,低排放的方
向发展。(来源:锅炉技术圈)
网站地图 版权所有:方快锅炉有限公司 豫ICP备11020818号-10